繁中
EN
0
About Us
Products
Illuminated Pushbutton
Joystick
Coin Selector
Cam Lock
Coin Meters
Tower Light
Train Light
LED Related Product
Charger
8-Line Harness
Micro Switch
Others
New
Applications
Game Machine
Vending Machine
Amusement Machine
Access Control
Charger Device
LED Lighting
News
E-catalog
FAQ
Contact Us
Sitemap
Home
Products
Micro Switch
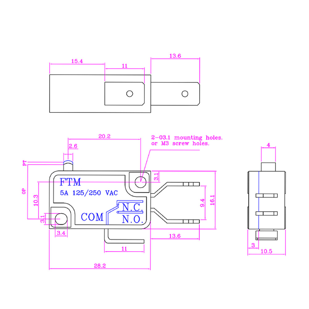
MN Series
250 Switch
250 Switch
3 Contact arrangement
Wiliing contact action
Snali over actuators
Long mechanical life
Choice of terminal
Choice of current rating uli to 10 amlis
Inquiry
Prev
Next
Product Specification
A. ELECTRIC9AL CHARACTER
A1
Rating
5A 125 VAC
A2 A2
Insulation Resistance
100 M Ω min. (AT 500VDC)
A3
Contact Resistance
30 m Ω MAX
B. MECHANICAL CHARACTER
B1
Operating Force
(OF): Max. 100g
B2
Releasing Forece
(RF): Min. 20g
B3
Pre-Travel
(PT): MAX. 1.2mm
B4
Operating Point
(OP): 14.7 ± 0.5mm
B5
Free Position
(FP): Max. 18.6mm
B6
Movement Differential
(MD): Max. 0.4mm
B7
Solder Terminal
08×6.35m (250pin)
B8
Circuitry (Type Of Contact)
S.P.D.T
C. AMBIENT TEMPERATURE
C1
-25℃TO + 80℃
D. AMBIENT HUMIDITY
D1
85% RH (MAX.)
E. SERVICE LIFEIFE
E1
Mechanical
10,000,000 OPERATIONS MIN.
E2
Electrical
200,000 OPERATIONS MIN.
MATERAILS
A
Case
PBT RESIN (UL-94V0)
B
Push Button
POM
C
Terminal
SILVER PLATED BRASS
D
Movin Blade
PHOSPHOR BRONZE
E
Contact
AGNI
F F
Spring
S.W.P
BACK